


El ADM2587EBRWZ-REEL7 es un transceptor de datos con aislamiento de alimentación encapsulado en SOIC-20, que ofrece protección contra descargas electrostáticas (ESD) de ±15 kV y está diseñado para comunicaciones de alta velocidad en líneas de transmisión multipunto.ADM2587E incorpora una fuente de alimentación DC-DC aislada, lo que elimina la necesidad de un módulo externo de aislamiento DC-DC.Ofrece soporte para alimentación única de 5 V o 3,3 V, con una solución completa de RS-485 con aislamiento de señal y de alimentación. El dispositivo incorpora la tecnología iCoupler®, que integra un aislador de 3 canales, un controlador de tres estados, un receptor de entrada diferencial y un convertidor isoPower. Cuenta con protección contra sobrecorriente y desconexión térmica, garantizando un funcionamiento seguro.
El sufijo '-REEL7' indica un formato de encapsulado o embalaje, ofrecido en forma completa de rollo, diseñado para el montaje de placas de circuito impreso mediante automatización de montaje en superficie.
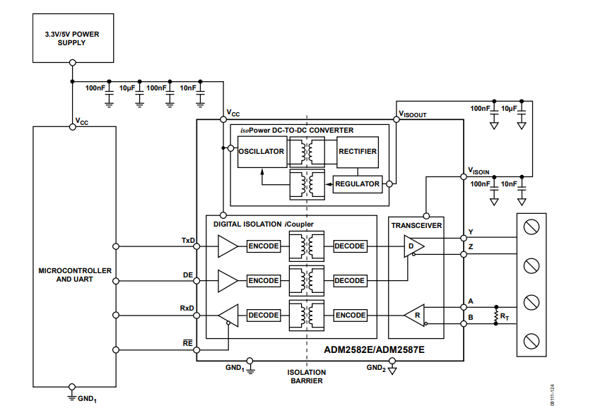
ADM2587E es un transceptor aislado que integra de forma completa la comunicación RS-485, el aislamiento de señal y el aislamiento de alimentación. Su funcionamiento se basa en tres componentes principales:
1.Principio de aislamiento de señales de iCoupler®
El aislamiento de señal del ADM2587E se implementa en el lado lógico de la interfaz: la señal del pino TxD/DE pasa por una capa de aislamiento hacia la unidad transceptor, y la señal recibida por esta unidad también regresa a través de la misma capa de aislamiento al pino RXD, logrando así un aislamiento de señal entre el nivel lógico y el nivel de aislamiento.
2.Principio de aislamiento de la fuente de alimentación isoPower®
El aislamiento de alimentación del ADM2587E se logra mediante un convertidor DC-DC aislado integrado, el isoPower: la fuente VCC alimenta el circuito oscilador, inyectando la corriente en un transformador de aire de chip, y la energía transmitida al secundario se rectifica y estabiliza para generar una salida de 3,3 V.El controlador secundario regula la salida mediante la generación de señales de control PWM, y mejora la potencia y la eficiencia mediante retroalimentación en tiempo real.
3.Principio de funcionamiento del circuito de transmisión y recepción RS-485
El bus RS-485 con señal y alimentación aislados:
Todas las estructuras aislantes sufren ruptura tras soportar una tensión durante un período suficientemente largo, y la velocidad de envejecimiento del aislamiento depende de la forma de la tensión aplicada en sus extremos. La fiabilidad a largo plazo del ADM2582E depende del tipo de forma de tensión que se aplica a través del aislamiento: distintas formas de tensión causan daños diferentes al aislamiento, lo que afecta también el nivel máximo de tensión de trabajo permitido y la durabilidad del dispositivo.
El DM2587E puede utilizarse en redes RS-485 en modo semiduplex o dúplex, con una capacidad máxima de 256 transmisores y receptores. Para reducir la reflexión de señal, debe conectarse al receptor a un terminal de impedancia característica y mantener los cables derivados lo más cortos posible. En modo semiduplex, es necesario realizar la adaptación de terminales en ambos extremos de la línea.La disposición de los capacitores debe seguir las recomendaciones de diseño de PCB, mientras que la ubicación de los resistores terminales depende de la posición del nodo y de la topología de la red.
¿Cuál es la diferencia entre el ADM2587E y el ADM2582E?
Tanto el ADM2587E como el ADM2582E incorporan el aislamiento de señal iCoupler y el aislamiento de alimentación isoPower, pero el ADM2587E ofrece una velocidad de datos y una capacidad de accionamiento ligeramente superiores, lo que lo hace más adecuado para redes multipunto con mayores requisitos de ancho de banda.
¿Necesita el ADM2587E un convertidor DC-DC externo?
No es necesario: el ADM2587E incluye un convertidor DC-DC isoPower integrado que alimenta el transceptor del lado aislado, lo que simplifica el diseño del circuito.
¿Cómo evita el ADM2587E cortocircuitos o sobrecorrientes en el bus?
| Imagen |
| Número de pieza |
| Fabricante |
| Serie |
| Paquete/Caja |
| Embalaje |
| Estado del producto |
| Tecnología |
| Tipo |
| Alimentación aislada |
| Número de canales |
| Entradas: lado 1/lado 2 |
| Tipo de canal |
| Voltaje - Aislamiento |
| Inmunidad transitoria en modo común (mín.) |
| Velocidad de datos |
| Retardo de propagación tpLH/tpHL (máx.) |
| Distorsión de ancho de pulso (máx.) |
| Tiempo de subida/bajada (típico) |
| Voltaje - Suministro |
| Grado |
| Calificación |
| Temperatura de funcionamiento |
| Tipo de montaje |
| Proveedor Dispositivo Paquete |
Texas Instruments

Texas Instruments

Skyworks Solutions Inc.

Texas Instruments

Texas Instruments

Texas Instruments