Sesión o Registro
    KATY Electronic Technology Co., LTD KATY Electronic Technology Co., LTD

    LTC2412: precisión de doble canal 24 Δ beneficiaries ADC ideal

    LTC2412CGN#PBF
    Número de pieza.:
    LTC2412CGN#PBF
    Fabricante:
    Analog Devices Inc.
    Paquete:
    16-SSOP (0.154", 3.90mm Width)
    Descripción:
    IC ADC 24BIT SIGMA-DELTA 16SSOP
    Quantity:
    Pago:
    Payment
    Buques:
    Shipping

    Detalles del artículo

    • Detalles
    • Especificaciones
    • Comparación

    En el campo de la adquisición de señales analógicas de alta precisión, la resolución, el rendimiento de ruido, así como la capacidad antiinterferente del convertidor analógico digital a menudo determinan la precisión de medición general del sistema. El LTC2412 es exactamente un delta-sigma-adc que proporciona una resolución de 24 bits en dos entradas diferenciales. Es ampliamente utilizado en la medición industrial e instrumentos de precisión.

    Conozca a LTC2412

    LRC2412 descomposición del chip

    El tamaño del chip del LTC2412 es de 3,1 mm x 2,0 mm. La zona izquierda del chip incorpora una estructura lógica típica que realiza funciones de control y filtrado digital. La interfaz digital se encuentra en el borde inferior del chip y está rodeada por dos discos de tierra en ambos lados. Se colocan tres entradas diferenciales en el borde superior. En la región derecha del chip, hay tres estructuras simétricas más grandes, que tienen valores de capacitancia más grandes, con la posibilidad de tres moduladores sigma diferenciales.

    Parámetros principales relacionados con LTC2412 en la hoja de datos

    La hoja de datos indica que LTC2412 tiene una no linealidad integral de 2ppm, una desviación de rango completo de 2,5 PPM, una offset de 0,1 PPM y un ruido RMS de 0,16 PPM. Tiene una precisión y estabilidad extremadamente altas. Estos son valores típicos y no máximos. El oscilador interno opera a una frecuencia de 19,2 kHz. Reloj externo hasta 500kHz. En este punto, el tiempo de conversión es de 41 milisegundos. Con un voltaje de alimentación de 2,7 V a 5,5 V, el LTC2412 consume solo 200 microamperios en funcionamiento normal.
    Functional Block Diagram

    El diagrama de bloques en la hoja de datos muestra la funcionalidad de la integración LTC2412. Dos entradas diferencial mediante el variado desparece Δ beneficiaries de la entrada del convertidor de módem. El voltaje de referencia también se proporciona de forma diferencial. El ADC era una orden tres Δ beneficiaries moduladores, significa tres moduladores tándem, aumentar la carta señal-ruido. Hay un filtro digital antes de los datos finales de salida en serie. El reloj interno se puede configurar para filtrar las interferencias de 50Hz o 60Hz siempre que sea posible.

    ABSOLUTE MAXIMUM RATINGS

    ABSOLUTE MAXIMUM RATINGS

    Usado con LTC2412

    Como un ADC de alto rendimiento, para aplicaciones de ingeniería que requieren medición de alta resolución, supresión de frecuencia de potencia estricta, así como diseño de bajo consumo de energía, LTC2412 necesita lograr una conversión de señal de bajo ruido y alta precisión. Sus señales en procesos de adquisición - Δ beneficiaries de filtrado digital - 4 etapas de salida de datos.
    1. Entrada diferencial y mecanismo de cambio de canal
    Dos canales de entrada diferenciales dentro de LTC2412. El chip alterna automáticamente el muestreo y la conversión entre los dos canales cuando está en funcionamiento, eliminando la necesidad de un multiplexor de control externo. Después de cada conversión, la identificación de la identificación del canal viene con los datos de salida. El sistema de control maestro puede distinguir fácilmente de qué canal provienen los datos actuales.
    2. Principio de modulación delta-sigma
    Analógico al ADC, LTC2412 Oversampling, las señales de entrada y mediante Δ beneficiaries de convertir señales de voltaje continuo flujo de bits de uno o más, de alcanzar el nivel de 24 bits de alta y baja.
    3. Ningún filtro digital de latencia
    LTC2412 adopta una estructura de filtrado digital sin retraso, que se caracteriza por:
    Datos completamente estables en una sola conversión
    No hay necesidad de descartar los resultados anteriores después del cambio de canal
    Ideal para mediciones de polling multicanal
    4. Mecanismo de supresión de interferencia de frecuencia de potencia
    El filtro digital del LTC2412 realiza la supresión de profundidad contra el ruido de frecuencia de potencia de 50Hz o 60Hz. Mediante la configuración de un solo pin, el modo de supresión de 50Hz o 60Hz (±2%) se selecciona para lograr una relación de supresión de modo diferencial de más de 110dB en la frecuencia objetivo.
    5. Voltaje de participación con control de modo común de entrada
    El resultado de la conversión de LTC2412 es el valor de la escala relativa a la tensión de referencia externa VREF:
    • Soporte de voltaje de referencia diferencial de 0.1v a VCC
    • Rango de entrada completo de -- 0.5VREF a +0.5VREF
    Mientras tanto:
    • Voltaje de modo común de entrada (VINCM)
    • Voltaje de modo común de referencia (VREFCM)
    Se puede configurar independientemente en GND a VCC, lo que hace que el diseño de circuito analógico frontal sea más flexible. Su relación de rechazo de modo común dc es superior a 140dB, lo que reduce drásticamente el efecto de la deriva de modo común en los resultados de medición.
    6. Salida de datos y proceso de comunicación
    Después de completar una conversión, LTC2412 produce datos de conversión de 24 bits e información de canal a través de una interfaz serie de tres hilos:
    • Interfaz compatible con SPI/MICROWIRE
    • Estructura de comunicación simple, cronología flexible
    • Fácil de conectar con MCU, FPGA
    El sistema de control maestro solo necesita esperar a que se complete la conversión y luego leer los datos, sin lógica de control compleja.

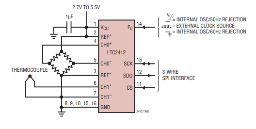
    LTC2412 ejemplo de aplicación

    Con alta precisión, bajo nivel de ruido y fuerte capacidad antiinterferente, LTC2412 es especialmente adecuado para los siguientes escenarios:

    • Digitalizador de sensor directo
    • Escala de peso
    • Instrumento de medición de temperatura directa
    • Analizador de gases
    • Sensor de extensómetro
    • instrumentación
    • Adquisición de datos
    • Control de procesos industriales
    • Voltímetro digital de 6 dígitos
    TYPICAL APPLICATION

    Preguntas frecuentes sobre LTC2412

    1. ¿LTC2412 es adecuado para medir señales dc o ac?
    LTC2412 es principalmente adecuado para la medición de señales de dc y baja frecuencia. Su Δ beneficiaries arquitectura y el filtrado digital de profundidad y dc la señal de baja frecuencia elevada precisión, no para de alta velocidad o intercambio de señales de alta frecuencia de muestreo.
    2. ¿Por qué LTC2412 hace especial hincapié en la supresión de 50Hz / 60Hz?
    En aplicaciones industriales y de instrumentación, la interferencia de frecuencia de potencia es la fuente más común de ruido. LTC2412 puede lograr una relación de supresión de modo diferencial >110dB a 50Hz o 60Hz (±2%)
    3. ¿Qué es la No latencia? ¿Cuáles son los beneficios?
    Sin demora indica:
    • El resultado de cada conversión es completamente estable
    • No es necesario descartar los primeros datos después de cambiar de canal
    Los beneficios son:
    • Mejorar la utilización efectiva de datos
    • Ideal para muestreo de polling multicanal
    • Simplifique la lógica de procesamiento de software

    Atributos del producto
    Valor del atributo
    Fabricante:
    Analog Devices Inc.
    Serie:
    microPOWER™
    Paquete/Caja:
    16-SSOP (0.154", 3.90mm Width)
    Embalaje:
    Tube
    Estado del producto:
    Active
    Resistencia:
    24
    Tolerancia:
    7.5
    Potencia (vatios):
    2
    Composición:
    Differential
    Características:
    SPI
    Coeficiente de temperatura:
    MUX-ADC
    Temperatura de funcionamiento:
    -
    Proveedor Dispositivo Paquete:
    1
    Clasificaciones:
    Sigma-Delta
    Tamaño/Dimensión:
    External
    Altura - Asentado (Máx.):
    2.7V ~ 5.5V
    Número de terminaciones:
    2.7V ~ 5.5V
    Tasa de fallos:
    -
    Imagen
    Número de pieza
    Fabricante
    Serie
    Paquete/Caja
    Embalaje
    Estado del producto
    Número de Bits
    Frecuencia de muestreo (por segundo)
    Número de entradas
    Tipo de entrada
    Interfaz de datos
    Configuración
    Relación - S/H:ADC
    Número de convertidores A/D
    Arquitectura
    Tipo de referencia
    Voltaje - Alimentación, Analógico
    Voltaje - Alimentación, Digital
    Características
    Temperatura de funcionamiento
    Proveedor Dispositivo Paquete
    Tipo de montaje
    Grado
    Calificación

    Inventario:4,136

    Por favor, envíe una consulta.Por favor, envíenos su pregunta y responderemos de inmediato.

    Número de pieza
    Cantidad
    Precio
    Nombre
    Empresa
    Correo electrónico
    Comentarios
    ADC081C021CIMKX/NOPB
    ADC081C021CIMKX/NOPB

    Texas Instruments

    MCP3021A5T-E/OT
    MCP3021A5T-E/OT

    Microchip Technology

    TLA2024IRUGR
    TLA2024IRUGR

    Texas Instruments

    MCP3221A5T-E/OT
    MCP3221A5T-E/OT

    Microchip Technology

    MCP3221A5T-I/OT
    MCP3221A5T-I/OT

    Microchip Technology

    MCP3221A4T-E/OT
    MCP3221A4T-E/OT

    Microchip Technology

    Correo electrónico
    Lo que contiene
    KATY Electronic Technology Co., LTD

    Casa

    KATY Electronic Technology Co., LTD

    Productos

    KATY Electronic Technology Co., LTD

    Teléfono

    KATY Electronic Technology Co., LTD

    Usuarios