


El icm-42688-p es un dispositivo de seguimiento de movimiento MEMS de 6 ejes con giroscopio integrado de 3 ejes y acelerómetro de 3 ejes. Soporta interfaces de I³C, I²C con SPI. Cuenta con caché FIFO de 2 kB y interrupciones programables. Tiene una función de activación de movimiento de ultra baja potencia para reducir el consumo de energía del sistema. Ampliamente utilizado en escenarios como dispositivos portátiles, rastreadores deportivos, casas inteligentes, robots y drones.
Este artículo se extenderá específicamente sobre las características clave del icm-42688-p, principios de funcionamiento, áreas de aplicación, datos clave de datasheet, comparaciones y alternativas, factores de cálculo de diseño, para que los lectores e ingenieros puedan entender el icm-42688-p de manera más intuitiva.
1. Principio de detección:
El icm-42688-p captura la velocidad angular y la información de rotación a través de un giroscopio de 3 ejes. Combinado con un acelerómetro de 3 ejes para medir la aceleración y la postura, el icm-42688-p permite un seguimiento de movimiento de 6 ejes de alta precisión.
2. Adquisición y procesamiento de datos:
El ADC de 16 bits incorporado convierte la señal analógica en digital. Los datos se depositan en una caché FIFO de 2 KB y se leen por lotes para reducir la frecuencia de comunicación del host, ahorrando así el consumo de energía. Utiliza un formato de datos de 20 bits (giroscopio de 19 bits, acelerómetro de 18 bits) para elevar la precisión y garantizar una resolución ultra alta para la detección de movimiento.
3. Reloj y control de precisión:
Soporta entrada de reloj externo de alta precisión (31 -- 50 kHz), reduce el error de sensibilidad debido a la diferencia entre la temperatura y el dispositivo, y la estabilidad de la dirección de elevación y la tasa de datos de salida.
4. Función de optimización y extensión de información:
Filtro digital programable incorporado con sensor de temperatura para garantizar la fiabilidad de los datos. Proporciona interrupciones programables para aplicaciones de bajo consumo de energía impulsadas por eventos.
5. Interfaz e integración del sistema:
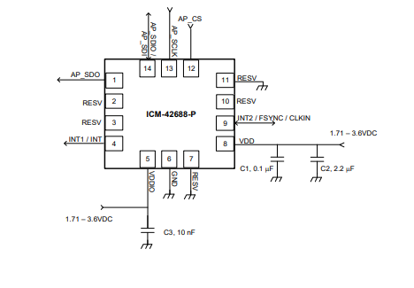
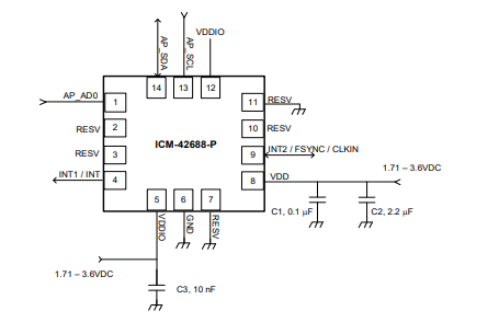
Comunicación con el host a través de la interfaz I3C/I²C/SPI; I3C hasta 12,5 Mbps, I²C hasta 1 MHz y SPI hasta 24 MHz.Diseño de alimentación de baja tensión (1.71v -- 3.6v), fácil integración de sistemas embebidos, adecuado para dispositivos portátiles, hogar inteligente, drones y robots y otras escenas de aplicación.
AR/VR Controllers
El icm-42688-p está diseñado para equilibrar el consumo de energía y la precisión de acuerdo con el escenario de aplicación y cambiar los modos dinámicamente (el modo LP es adecuado para bajo consumo de energía y el modo LN es adecuado para alta precisión); Configure razonablemente el filtro para tener en cuenta el ruido y la latencia, y asegúrese de que la tasa de interfaz coincida con el host; Diseñado teniendo en cuenta el efecto de la precisión de la fuente de reloj en la estabilidad general de la medición. ODR depende de la frecuencia de entrada de reloj externo. Si se utiliza un reloj de 32.768 kHz, el ODR y la marca de tiempo deben escalarse proporcionalmente para garantizar que los datos sean consistentes con la muestra real; Los datos FIFO deben tratarse adecuadamente con valores no válidos para mantener su integridad. Al mismo tiempo, las interrupciones se configuran correctamente con los parámetros de reset para salvaguardar la estabilidad de la comunicación y la fiabilidad de los datos.
| Imagen |
| Número de pieza |
| Fabricante |
| Serie |
| Paquete/Caja |
| Embalaje |
| Estado del producto |
| Tipo de sensor |
| Tipo de salida |
| Temperatura de funcionamiento |
| Grado |
| Calificación |
| Proveedor Dispositivo Paquete |
| Tipo de montaje |

Bosch Sensortec

TDK InvenSense

TDK InvenSense

STMicroelectronics

STMicroelectronics

STMicroelectronics