Sesión o Registro
    KATY Electronic Technology Co., LTD KATY Electronic Technology Co., LTD

    AD9173BBPZ -- alto rendimiento 16-bit 12.6GSPS doble canal RF DAC

    AD9173BBPZ
    Número de pieza.:
    AD9173BBPZ
    Fabricante:
    Analog Devices Inc.
    Paquete:
    144-FBGA
    Descripción:
    IC RF DAC 144BGA
    Quantity:
    Pago:
    Payment
    Buques:
    Shipping

    Detalles del artículo

    • Detalles
    • Especificaciones
    • Comparación

    Introduction

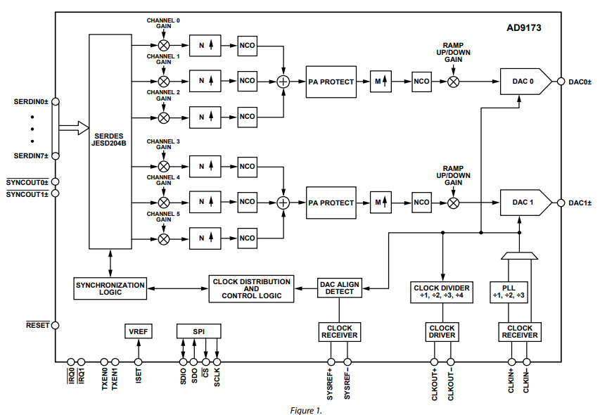
    AD9173BBPZ es un convertidor digital/analógico (DAC) de alto rendimiento de dos canales de 16 bits encapsulado como bga-144 (10x10) introducido por Analog Devices. Su tasa de muestreo es de hasta 12.6 GSPS, Además, el dispositivo integra 8 canales, 15.4gbps interfaz de entrada de datos JESD204B, un duplicador de reloj DAC en chip de alto rendimiento, y capacidades de procesamiento de señales digitales orientadas a aplicaciones inalámbricas de radiofrecuencia directa (RF) de banda única y multibanda. Muy práctico con infraestructura de comunicación inalámbrica e instrumentación, equipos de prueba automatizados y otros escenarios de aplicación.

    FUNCTIONAL BLOCK DIAGRAM

    Características/características

    • Soporte para aplicaciones inalámbricas multibanda
    • Cada convertidor digital/analógico de radiofrecuencia (RF DAC) tiene 3 canales de entrada de datos complejos bypass
    • Tasa de datos de entrada compleja máxima de 1.54 GSPS por canal de entrada
    • 1 generador no lineal independiente (NCO) para cada canal de entrada
    • Con diseño propietario de baja dispersión y baja distorsión
    • La distorsión de intermodulación (IMD) de 2 canales a 1,8 GHz es de -83 dBc y la salida de RF de una sola salida de RF es de -7 dBFS/ tono
    • Relación señal/ruido (SFDR) inferior a -80 dBc a 1,8 GHz y una salida de rf individual de -7 dBFS
    • Interfaz flexible de 8 canales y 15.4gbps JESD204B
    • Admite escenarios de uso monobanda y multibanda
    • Soporta el modo de alta densidad de 12 bits para mejorar las tasas de transferencia de datos
    • Múltiples chips sincronizados
    • Soporte JESD204B categoría 1
    • Filtros de datos de entrada completos con tasas de datos de entrada seleccionables
    • 1×, 2×, 3×, 4×, 6× y 8× interpolación de canales de datos configurables
    • Interpolación final configurable de 1×, 2×, 4×, 6×, 8× y 12×
    • NCO final de 48 bits que funciona a tasas DAC para soportar síntesis de frecuencia de hasta 6 GHz
    • La función de habilitación de emisión permite ahorros adicionales de energía y protección de circuito descendente
    • Multiplicador de reloj PLL de alto rendimiento y bajo ruido
    • Tasa de actualización de DAC que soporta 12.6 GSPS
    • Controlador de reloj ADC de observación con relación de división opcional de bajo consumo de energía
    • 2.55w en modo de doble canal en 12 GSPS
    • 10 mm x 10 mm, 144 bolas BGA_ED, con tapa metálica reforzada para disipación de calor, paso de 0,80 mm

    Electrical Characteristics

    Rendimiento de DAC
    • Resolución: 16 bits
    • Tasa máxima de actualización: 12.6 GSPS
    • Tasa de entrada plural: 1.54 GSPS (11-bit) / 1.23 GSPS (16-bit)
    • Tasa de modo de banda ultra ancha: 3.08 GSPS (11-bit, 16-bit SERDES) / 3.4 GSPS (11-bit, 12-bit SERDES)
    Rendimiento de rf
    • Dos tonos IMD: -83 dBc @ 1,8 GHz, -7 dBFS
    • SFDR: < -80 dBc @ 1,8 GHz, -7 dBFS
    La interfaz
    • Interfaz JESD204B: 8-carril, 15,4gbps/carril, subclase 1
    • Número de canales de datos: 3 canales de entrada complejos bypass por DAC RF
    Reloj con procesamiento digital
    • NCO: 48-bit por canal, soporta síntesis de hasta 6 GHz de frecuencia
    • Filtro de interpolación: interpolación del canal 1×~8×, interpolación final 1×~12×
    Consumo de energía
    • Consumo típico de energía: 2.55w @ 12 GSPS dual channel
    Encapsulación/medio ambiente
    • Paquete: 144-ball BGA_ED, 10×10 mm, pitch de 0,8 mm
    • Temperatura de funcionamiento: -40 °C a +85°C
    • Debe prestar atención a la señal de alta velocidad, salida analógica, aislamiento de potencia, disipación de calor diseño del disco de soldadura

    Application

    1. Línea infraestructura de comunicación
    2. Sistema de radiofrecuencia para estaciones base multibanda
    3. Microondas/e-band sistema de devolución
    4. Instrumentación, equipos de prueba automatizados (ATE)

    Typical Application Components

    1. Interfaz de alta velocidad JESD204B: FPGA → pares de líneas diferenciales → AD9173 JESD Rx
    2. Entrada de reloj: fuente de reloj de baja frecuencia → buffer de reloj → DACCLK/REFCLK
    3. SYSREF sincronización: chip de reloj → SYSREF → FPGA & AD9173
    4. Salida RF: DACOUTP/N → Balun → circuito de emparejamiento → enlace RF
    5. Fuente de alimentación: 1.0v, 1.3v y 1.8v proporcionados por multiplexado LDO/PMIC
    6. Interfaz de control: interfaz SPI para el control de configuración

    Características del producto

    1. Admite aplicaciones inalámbricas de banda única y multibanda. Cada RFDAC tiene tres canales de entrada de datos complejos conmutables. La tasa de datos de entrada compleja máxima es de 1,54 GSPS con una resolución de 11 bits y 1,23 GSPS (resolución de 16 bits). Cada canal de entrada está equipado con un NCO independiente. 
    2. El modo de bypass de canal ancho de banda ultra ancha admite tasas de datos de hasta 3,08 GSPS con una resolución de 11 bits con un modo de codificación SERDES de 16 bits; También hay una configuración de 3,4 GSPS con una resolución de 11 bits y una codificación SERDES de 12 bits. 
    3. El convertidor dual de baja potencia puede reducir el consumo de energía requerido en aplicaciones de alto ancho de banda y multicanal.

    Absolute maximum ratings

    ABSOLUTE MAXIMUM RATINGS

    Working principle

    El principio de funcionamiento del núcleo de AD9173 es: recibe datos IQ digitales de alta velocidad a través de JESD204B → conversión de frecuencia digital con procesamiento de interpolación → 16-bit DAC de alta velocidad produce una señal de alta linealidad directamente en la banda de frecuencia rf. El flujo de trabajo principal se divide en cuatro partes principales: frente digital → conversión digital superior de frecuencia → etapa de salida DAC → salida rf.

    1. Frente digital

    Un FPGA externo o procesador de banda base transfiere datos digitales IQ de alta velocidad a un chip a través de la interfaz JESD204B de 8 vías
    Soporte máximo por canal:
    • 1.54 entrada plural para GSPS
    • Basado en 11/16-bit SERDES packing
    JESD204B Subclass 1 proporciona latencia determinista que garantiza la sincronización de múltiples chips

    2. Procesamiento de canales digitales

    AD9173 cada DAC del RF contiene 3 canales de datos complejos bypass. Cada canal de entrada de datos contiene niveles de ganancia configurables, filtros de interpolación, y un oscilador de canal CNC para la planificación de frecuencia multibanda flexible.

    3. Sistema de reloj interno

    Con un PLL de bajo ruido de alto rendimiento incorporado, el AD9173 puede duplicar el reloj de referencia externo para generar el reloj de alta velocidad requerido por el DAC.

    4. Núcleo DAC

    Después de la conversión de frecuencia digital después de los datos en DAC de alta velocidad:
    • Resolución: 16-bit
    • Tasa de actualización más rápida: 12.6 GSPS
    • La salida es señal diferencial del modo actual
    • Salida rf a través de Balun externo y el circuito emparejado

    5. Etapa de salida rf

    La salida DAC es una señal de corriente diferencial de alta velocidad, procesada por una red externa:
    • AC acoplamiento capacitor
    • Balun (transferencia diferencial a un solo extremo)
    • Filtros (paso bajo o paso banda)
    • Controlador amplificador (PA) o instrumento de prueba frontal
    Finalmente se puede emitir directamente a la banda portadora de rf (hasta 6GHz de síntesis de frecuencia).

    Conclusion

    AD9173BBPZ funciona como un DAC RF de 16 bits de dos canales de ultra alta velocidad que admite tasas de muestreo de hasta 12.6GSPS y está equipado con una interfaz JESD204B de 15,4 Gbps de 8 vías para lograr una transferencia de datos más rápida con el ancho de banda del sistema; Con 3 entradas plurales y NCO independiente por canal, puede realizar fácilmente las ventajas de la generación de señal multibanda y de banda ancha. Con NCO interno, filtros de interpolación, canales de datos múltiples, sistema de reloj PLL, AD9173 es capaz de generar directamente señales de rf de alta frecuencia, banda ancha y baja distorsión, simplifica drásticamente la arquitectura de transmisión inalámbrica.

    Atributos del producto
    Valor del atributo
    Fabricante:
    Analog Devices Inc.
    Serie:
    -
    Paquete/Caja:
    144-FBGA
    Embalaje:
    Bulk
    Estado del producto:
    Active
    Resistencia:
    Not Verified
    Tolerancia:
    RF DAC
    Potencia (vatios):
    Wireless Infrastructure
    Composición:
    Surface Mount
    Características:
    144-BGA-ED (10x10)
    Coeficiente de temperatura:
    -
    Temperatura de funcionamiento:
    -
    Proveedor Dispositivo Paquete:
    Clasificaciones:
    Tamaño/Dimensión:
    Altura - Asentado (Máx.):
    Número de terminaciones:
    Tasa de fallos:
    Imagen
    Número de pieza
    Fabricante
    Serie
    Paquete/Caja
    Embalaje
    Estado del producto
    Programable
    Tipo
    Aplicaciones
    Tipo de montaje
    Proveedor Dispositivo Paquete
    Grado
    Calificación

    Inventario:2

    Por favor, envíe una consulta.Por favor, envíenos su pregunta y responderemos de inmediato.

    Número de pieza
    Cantidad
    Precio
    Nombre
    Empresa
    Correo electrónico
    Comentarios
    CAP200DG-TL
    CAP200DG-TL

    Power Integrations

    ATSHA204A-MAHDA-T
    ATSHA204A-MAHDA-T

    Microchip Technology

    ATSHA204A-SSHDA-T
    ATSHA204A-SSHDA-T

    Microchip Technology

    ATSHA204A-STUCZ-T
    ATSHA204A-STUCZ-T

    Microchip Technology

    ATECC608B-MAHDA-T
    ATECC608B-MAHDA-T

    Microchip Technology

    ATECC608B-MAHCZ-S
    ATECC608B-MAHCZ-S

    Microchip Technology

    Correo electrónico
    Lo que contiene
    KATY Electronic Technology Co., LTD

    Casa

    KATY Electronic Technology Co., LTD

    Productos

    KATY Electronic Technology Co., LTD

    Teléfono

    KATY Electronic Technology Co., LTD

    Usuarios