Sesión o Registro
    KATY Electronic Technology Co., LTD KATY Electronic Technology Co., LTD

    AD822 amplificador operacional de doble amplificador op de alta precisión y baja potencia de salida de raíl a raíl

    AD822ARZ-REEL7
    Número de pieza.:
    AD822ARZ-REEL7
    Fabricante:
    Analog Devices Inc.
    Paquete:
    8-SOIC (0.154", 3.90mm Width)
    Descripción:
    IC OPAMP GP 2 CIRCUIT 8SOIC
    Quantity:
    Pago:
    Payment
    Buques:
    Shipping

    Detalles del artículo

    • Detalles
    • Especificaciones
    • Comparación

    Introduction

    El AD822 es un amplificador operativo de dos canales, preciso y de baja potencia con entrada FET. Funciona con una sola fuente de alimentación de 5 V a 30 V o con una fuente de alimentación doble de ± 2,5 V a ±15 V. Tiene una verdadera capacidad de potencia única. El rango de voltaje de entrada se extiende por debajo del carril de potencia negativo, lo que permite al AD822 manejar señales de entrada por debajo del potencial de tierra en modo de potencia única. El voltaje de salida oscila dentro de 10 mV del riel de potencia, proporcionando así el máximo rango dinámico de salida.

    La estructura de entrada FET de AD822 lo hace muy adecuado para fuentes de alta impedancia, pero también tiene las ventajas de bajo voltaje de desajuste y baja deriva. Este artículo se centrará en las características, ventajas, escenarios de aplicación e información básica de parámetros de AD822.

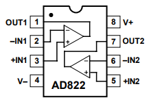
    CONNECTION DIAGRAM

    características

    • Verdadero modo de trabajo de una sola fuente de alimentación
      • Rango de salida de carril a carril
      • Rango de voltaje de entrada debajo del cable de tierra
      • El rango de voltaje de funcionamiento de la fuente única es de 5 voltios a 30 voltios
      • El rango de voltaje de funcionamiento de la fuente dual es de ± 2,5 voltios a ±15 voltios
    • Alta capacidad de conducción de carga
      • La capacidad de conducción de carga capacitiva es de 350 piezones, G = +1
      • Corriente de salida mínima de 15 ma
    • Excelente rendimiento ac bajo consumo de energía
      • Corriente estática máxima de 800 microamperios por amplificador
      • Ancho de banda de ganancia por unidad: 1.8 MHZ
      • Tasa de aumento: 3 voltios/microsegundos
    • Buen rendimiento dc
      • Tensión máxima de desalineación de entrada de 800 microvoltios
      • Desviación de tensión típica de 2 microvoltios/grados centígrados
      • La corriente de polarización de entrada máxima es de 25 pian 
    • bajo nivel de ruido
      • 13 nV/√Hz a 10 kilohertz
      • Sin inversión de fase

    Advantages

    1. Muy baja corriente de polarización de entrada (<25 pA)
    La estructura de entrada FET lo hace muy adecuado para fuentes de alta impedancia, como sensores fotoeléctricos, sondas electroquímicas, sensores de presión, etc., para garantizar la precisión de la medición.
    2. Bajo voltaje disonante con baja deriva
    Voltaje de desajuste: ≤ 800 µV
    Deriva de temperatura: ≈ 2 µV/°C
    Mantiene alta precisión bajo uso a largo plazo o ambiente de cambio de temperatura.
    3. Verdadera capacidad de trabajo de fuente de alimentación única
    El rango de entrada puede estar por debajo del carril de potencia negativo (por debajo de 0 V), lo que lo hace ideal para sistemas de adquisición de potencia única y reduce la complejidad adicional del diseño del circuito.
    4. El oscilador de salida está cerca del carril de potencia (solo 10 mV de diferencia)
    Puede maximizar el rango dinámico y mejorar el rendimiento de la cadena de señal. Ideal para dispositivos de bajo voltaje o alimentados por batería.
    5. Amplia gama de potencia, fuerte adaptabilidad
    Fuente de alimentación única: 5 V ~ 30 V
    Fuente de alimentación dual: ± 2.5v ~ ±15 V
    Compatible con varios diseños de sistemas industriales, médicos y portátiles.
    6. Bajo consumo de energía (800 µA/ amplificador)
    Ideal para baterías, dispositivos portátiles, medidores de baja potencia y otras aplicaciones.
    7. Buen rendimiento AC
    1,8 MHz unidad de ganancia de ancho de banda
    Tasa de conversión de 3 V/µs
    - 93 dB THD (10 kHz)
    Rendimiento estable y baja distorsión en escenarios de audio, acondicionamiento de señal, buffer de circuito, etc.
    8. Diseño de doble canal para ahorrar espacio y costo
    Dos amplificadores operacionales de precisión integrados en un paquete, adecuados para el procesamiento de señales multiplexadas y para mejorar la eficiencia del diseño de PCB.

    APPLICATIONS

    Instrumentos de precisión con batería
    El AD822 consume solo 800 µA/ amplificador y cuenta con un amplio rango de alimentación con una salida de proximidad de riel A riel, ideal para dispositivos de medición portátiles o alimentados por batería.
    Preamplificador fotodiodo
    La corriente de salida de los fotodiodos es extremadamente pequeña y generalmente requiere un amplificador de alta impedancia de entrada para convertir y amplificar la señal.
    Filtro activo
    La baja distorsión del AD822 con suficiente ancho de banda está disponible para hacer filtros de alto rendimiento.
    12-bit ~ 14-bit sistema de adquisición de datos
    En la adquisición de datos, el op frontal necesita alta precisión y bajo ruido para coincidir con la precisión del ADC.
    Instrumentos médicos
    Las señales médicas suelen ser muy débiles y requieren un alto nivel de ruido y estabilidad.
    Benchmark de baja potencia con circuito regulado
    En circuitos regulados o de referencia, los amplificadores operacionales se utilizan a menudo para amplificación de errores o funciones de buffer.

    Applications information

    Características de entrada

    Alta impedancia de entrada y baja corriente de polarización
    Con una etapa de entrada JFET de canal N, proporciona una impedancia de entrada extremadamente alta con una corriente de entrada de nivel pean, ideal para sensores de alta impedancia.
    Amplia entrada total modelo circunferencia
    El voltaje de entrada puede ser 0.2v más bajo que el riel negativo del poder, y puede trabajar a 1 V más bajo que el rango positivo del poder, adaptado a la fuente de alimentación única con la adquisición débil de la señal.
    Diseño sin inversión de fase
    Puede permanecer estable cuando el voltaje de entrada hasta +VS, no habrá inversión de fase; Se puede proteger aún más por la resistencia en serie cuando se excede el voltaje de alimentación.
    Alta protección contra sobretensiones de entrada
    En tándem 1 k Ω resistencia, asequibles GuoYa sostenida hasta 10 V; Las entradas por debajo de -- VS pueden soportar de forma segura hasta -- 20 V bajo ciertas condiciones.
    Excelente rendimiento de bajo ruido
    El ruido de la banda ancha es solamente 13 nV/√Hz, y permanece estable en baja frecuencia; Para fuentes * * > 10 k Ω impedancia, > * * 1 kHz de ancho de aplicación casi no aumenta el ruido del sistema.
    Total Noise vs. Source Impedance

    Características de salida

    1. Gran capacidad de salida de raíl a raíl: la salida puede estar cerca de 5 mV de potencia negativa y cerca de 10 mV de potencia positiva, proporcionando el rango dinámico máximo.
    2. Típicos de buena capacidad: resistencia a 40 Ω saturada de salida (corriente) / 20 Ω corriente (inglés), pueden fácilmente por la carga media.
    3. Precisión BaoChiXing: carga de 20 k Ω, salida de alimentación del error dentro de los 180 M. afecta a la entrada, precisión y estabilidad.
    4. Recuperación rápida de overdrive: después de que la salida esté saturada, puede volver al estado de trabajo lineal normal en aproximadamente 2 μs cuando se recupera la entrada.
    5. Compatibilidad fuerte de la carga capacitiva: puede conducir la carga capacitiva media de manera estable; El seguidor de ganancia unitaria permanece estable mientras maneja aproximadamente 350 pF.

    Absolute maximum ratings

    ABSOLUTE MAXIMUM RATINGS

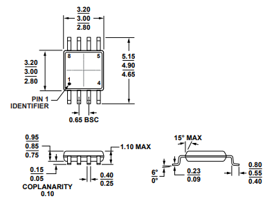
    Dimensiones

    8-Lead Mini Small Outline Package [MSOP]

    8-Lead Plastic Dual In-Line Package [PDIP]Narrow Body

    8-Lead Standard Small Outline Package [SOIC_N]Narrow Body

    Conclusion

    El AD822 es un amplificador operacional dual de baja potencia y alta precisión que ofrece un amplio rango de voltaje de alimentación, baja corriente de polarización de entrada y rendimiento de bajo ruido. Es ideal para aplicaciones de precisión donde se requiere integridad de señal y consumo de energía. Su salida de raíl a raíl y su buen ancho de banda de ganancia le permiten un rendimiento estable y confiable en escenarios como dispositivos alimentados por batería, pruebas médicas, frontales optoelectrónicos, sistemas de adquisición de datos, así como filtros activos. AD822 combina alta rentabilidad y versatilidad. Es el dispositivo preferido para el acondicionamiento de señal analógica, la amplificación de voltaje/corriente y la interfaz del sensor.

    Atributos del producto
    Valor del atributo
    Fabricante:
    Analog Devices Inc.
    Serie:
    -
    Paquete/Caja:
    8-SOIC (0.154", 3.90mm Width)
    Embalaje:
    Tape & Reel (TR)
    Estado del producto:
    Active
    Resistencia:
    General Purpose
    Tolerancia:
    2
    Potencia (vatios):
    Rail-to-Rail
    Composición:
    3V/µs
    Características:
    1.9 MHz
    Coeficiente de temperatura:
    1.9 MHz
    Temperatura de funcionamiento:
    2 pA
    Proveedor Dispositivo Paquete:
    400 µV
    Clasificaciones:
    1.24mA
    Tamaño/Dimensión:
    20 mA
    Altura - Asentado (Máx.):
    5 V
    Número de terminaciones:
    30 V
    Tasa de fallos:
    -40°C ~ 85°C
    Imagen
    Número de pieza
    Fabricante
    Serie
    Paquete/Caja
    Embalaje
    Estado del producto
    Tipo de amplificador
    Número de circuitos
    Tipo de salida
    Velocidad de respuesta
    Producto de ancho de banda de ganancia
    Ancho de banda de -3 db
    Corriente - Polarización de entrada
    Voltaje - Desplazamiento de entrada
    Corriente - Suministro
    Corriente - Salida/canal
    Voltaje - Intervalo de suministro (mín.)
    Voltaje - Intervalo de suministro (máx.)
    Temperatura de funcionamiento
    Grado
    Calificación
    Tipo de montaje
    Proveedor Dispositivo Paquete

    Inventario:4,503

    Por favor, envíe una consulta.Por favor, envíenos su pregunta y responderemos de inmediato.

    Número de pieza
    Cantidad
    Precio
    Nombre
    Empresa
    Correo electrónico
    Comentarios
    LM358DT
    LM358DT

    STMicroelectronics

    LM358DR
    LM358DR

    Texas Instruments

    LM2904DR
    LM2904DR

    Texas Instruments

    LM358ADR
    LM358ADR

    Texas Instruments

    LM2904DGKR
    LM2904DGKR

    Texas Instruments

    LM324DR
    LM324DR

    Texas Instruments

    Correo electrónico
    Lo que contiene
    KATY Electronic Technology Co., LTD

    Casa

    KATY Electronic Technology Co., LTD

    Productos

    KATY Electronic Technology Co., LTD

    Teléfono

    KATY Electronic Technology Co., LTD

    Usuarios