Sesión o Registro
    KATY Electronic Technology Co., LTD KATY Electronic Technology Co., LTD

    48V system breakout: nuevas oportunidades para DRV8251ADDAR en la industria y los dispositivos inteligentes

    DRV8251ADDAR
    Número de pieza.:
    DRV8251ADDAR
    Fabricante:
    Texas Instruments
    Paquete:
    8-PowerSOIC (0.154", 3.90mm Width)
    Descripción:
    48-V, 3.5-A H BRIDGE MOTOR DRIVE
    Quantity:
    Pago:
    Payment
    Buques:
    Shipping

    Detalles del artículo

    • Detalles
    • Especificaciones
    • Comparación

    Los sistemas de 48V están aumentando rápidamente

    Los sistemas de 48V se están expandiendo desde el sector automotriz hasta la automatización industrial y los dispositivos inteligentes como nuevas tendencias de diseño. El núcleo es una fuente de alimentación/arquitectura eléctrica de 48 voltios. En comparación con los sistemas tradicionales de 12V/24V, el 48V tiene la clara ventaja de una mayor potencia de salida, una menor pérdida de corriente y un suministro más adecuado para largas distancias. La aplicación más convencional es el sistema de mezcla ligera qichai 48V. En equipos industriales, electrodomésticos inteligentes y terminales IoT, 48V también se está convirtiendo gradualmente en el nuevo estándar.

    La fuerza motriz detrás de la tendencia 48V

    1.  Mejora de la automatización industrial: por ejemplo, actuadores eléctricos, pequeños brazos robóticos y sistemas de transporte automatizados, etc., los requisitos para el accionamiento del motor son más altos y deben cumplir con los requisitos de "alta eficiencia + alta confiabilidad + pequeño volumen".
    2.  Aumento de potencia de dispositivos inteligentes: una clase de productos inteligentes como cerraduras inteligentes, desde "funciona" hasta "alto rendimiento + silencio + larga vida".
    3.  Desarrollo de edge computing para dispositivos IoT: más acciones ejecutadas localmente, el motor se convierte en la unidad de ejecución clave. También se requiere que los chips de controlador sean integrados, fáciles de diseñar y asequibles.

    DRV8251ADDAR en el contexto del sistema 48V

    Aunque el 48V trae ventajas, al mismo tiempo se enfrenta a nuevos problemas. El aumento de la complejidad del diseño del circuito, el buen del esquema MOS discreto es demasiado alto, el bloqueo del motor puede dañar fácilmente el sistema y la dificultad de disipación de calor y diseño de protección aumenta. Esta es precisamente la oportunidad para un IC de conducción altamente integrado. Con esta tendencia, DRV8251ADDAR se convierte en una solución muy competitiva.

    Características principales de DRV8251ADDAR

    • N canal H puente cepillado dc motor driver
    • 4.5v a 48V rango de voltaje de alimentación de trabajo
    • Alta capacidad de corriente de salida: 4.1a pico
    • Interfaz de control: control de PWM + IN
    • Admite entradas lógicas de 1.8v, 3.3v y 5V
    • Detección de corriente IPROPI integrada y regulación de corriente adecuada para la detección de pérdida
    • Modo sleep de baja potencia
      • menos de 1µA en VVM = 24V, TJ = 25°C
    • Paquete: HTSSOP (con disco de soldadura de disipación de calor)
    • Características de protección integradas
      • bloqueo VM bajo voltaje (UVLO)
      • recuperación automática de la protección contra sobrecorriente (OCP)
      • apagado térmico (TSD)

    Valores fundamentales de DRV8251ADDAR

    1. Capacidad del voltaje y de la corriente: ajuste exacto al sistema 48V
    • Amplia cobertura de voltaje: 4.5v -- -48v voltaje de funcionamiento, 50V voltaje de soporte, directamente compatible con el bus 48V, no hay necesidad de bajar/aumentar la tensión adicional, puede soportar la fluctuación de voltaje del sistema 48V con la fuerza electromotriz inversa del motor.
    • Fuerte capacidad de conducción: 4.1a pico / 3.7a corriente continua, satisfacer la demanda de conducción de 48V motor cc cepillo de potencia pequeña y mediana.
    • Puente cuaternarios baja derivado de contracción: N H, RDS (on) típico de 450 Ω, 48V bajo la fiebre más bajo, más eficientes.
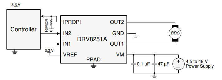
    Typical Connections

    2. Integración: ahorre espacio, reduzca costos y simplifique el diseño

    • Espejo integrado IPROPI corriente: sin desviar la resistencia de gran potencia externa (DRV8251:4,5 V a 48V, 450 Ω shunt DianZuQi), salida directa analógico con corriente eléctrica y proporcional, para la detección de bucle cerrado, este giro corriente corriente, protección, costes de PCB con BOM.
    • Bomba de carga incorporada: admite un controlador de ciclo de trabajo 100% sin impulso externo, adecuado para escenarios de operación a toda velocidad durante largos períodos de tiempo.
    • Puente H de chip único: 8 pines HTSSOP, paquete súper pequeño de 4.9×6.0mm, adecuado para el diseño de alta densidad del sistema 48V.
    3. Control y protección: garantía altamente confiable del sistema 48V
    • Protección inteligente: protección contra sobrecorriente, protección térmica y bloqueo de subvoltaje para mejorar la confiabilidad del sistema.
    • Lógica compatible: admite entrada de 1.8v / 3.3v /5V PWM, conecta directamente a la corriente principal MCU sin conversión de nivel.
    • Limitación de corriente de hardware: ajuste el umbral de corriente a través de los pines VREF, limitación de corriente automática durante el arranque/bloqueo de la vuelta, protección del bus 48V con el bobinado del motor.
    • Ultra bajo consumo de energía: menos de 1μA en el modo de sueño, adecuado para dispositivos con batería de 48V.

    Ventajas comparativas del mismo sistema 48V de la serie

    DRV8251A es el "todo en uno" preferido para el accionamiento del motor de cc del cepillo 48V: ajuste exacto del voltaje, integración más alta, confiabilidad fuerte, coste y volumen óptimos, simplifica drásticamente el diseño del sistema 48V.

    Oportunidades y tendencias

    Con la popularización del sistema 48V, los fabricantes OEM prefieren los programas estandarizados, la compra se centra más en la estabilidad de la entrega, la optimización de costos y la capacidad de reemplazo, por lo que los programas originales como TI son más fáciles de priorizar la compra. Y el desarrollo del sistema de 48V, impulsando la actualización de la arquitectura de accionamiento del motor, la tendencia futura también es muy clara, mayor voltaje, integración de alta rigidez y menor costo de BOM. Por lo tanto, DRV8251A no es solo un chip, sino también una "entrada de actualización de diseño".

    Preguntas frecuentes frecuentes

    1. ¿Por qué 48V y no 12V / 24V/voltaje más alto?
    Aumentar el voltaje puede reducir la corriente para la misma demanda de potencia. La corriente de 12V es demasiado alta, baja eficiencia y calor severo. El 24V, aunque mejor que el 12V, todavía tiene una corriente más alta y gradualmente no puede seguir en dispositivos industriales o inteligentes. Sin embargo, hay riesgos de seguridad con un voltaje más alto, la autenticación es más complicada y el diseño de PCB es más difícil. 48V se encuentra en un intervalo muy crítico, la solución óptima entre eficiencia, seguridad y costo.
    2. ¿Qué ventajas tiene DRV8251A en comparación con la solución MOS discreta?
    El DRV8251A integra el puente H, la detección actual y las funciones de protección para reducir el número de componentes periféricos, reducir los costos de BOM y simplificar el diseño.

    Atributos del producto
    Valor del atributo
    Fabricante:
    Texas Instruments
    Serie:
    -
    Paquete/Caja:
    8-PowerSOIC (0.154", 3.90mm Width)
    Embalaje:
    Tape & Reel (TR)
    Estado del producto:
    Active
    Resistencia:
    Bipolar
    Tolerancia:
    Brushed DC
    Potencia (vatios):
    Driver - Fully Integrated, Control and Power Stage
    Composición:
    Half Bridge (2)
    Características:
    PWM
    Coeficiente de temperatura:
    NMOS
    Temperatura de funcionamiento:
    -
    Proveedor Dispositivo Paquete:
    Printer
    Clasificaciones:
    4.1A
    Tamaño/Dimensión:
    4.5V ~ 48V
    Altura - Asentado (Máx.):
    4.5V ~ 48V
    Número de terminaciones:
    -40°C ~ 150°C (TJ)
    Tasa de fallos:
    -
    Imagen
    Número de pieza
    Fabricante
    Serie
    Paquete/Caja
    Embalaje
    Estado del producto
    Tipo de motor - Motor paso a paso
    Tipo de motor: CA, CC
    Función
    Configuración de salida
    Interfaz
    Tecnología
    Resolución de paso
    Aplicaciones
    Corriente - Salida
    Voltaje - Suministro
    Voltaje - Carga
    Temperatura de funcionamiento
    Grado
    Calificación
    Tipo de montaje
    Proveedor Dispositivo Paquete

    Inventario:3,703

    Por favor, envíe una consulta.Por favor, envíenos su pregunta y responderemos de inmediato.

    Número de pieza
    Cantidad
    Precio
    Nombre
    Empresa
    Correo electrónico
    Comentarios
    DRV2603RUNR
    DRV2603RUNR

    Texas Instruments

    DRV8837CDSGR
    DRV8837CDSGR

    Texas Instruments

    DRV8837DSGR
    DRV8837DSGR

    Texas Instruments

    DRV8838DSGR
    DRV8838DSGR

    Texas Instruments

    DRV8839DSSR
    DRV8839DSSR

    Texas Instruments

    EMC2301-1-ACZL-TR
    EMC2301-1-ACZL-TR

    Microchip Technology

    Correo electrónico
    Lo que contiene
    KATY Electronic Technology Co., LTD

    Casa

    KATY Electronic Technology Co., LTD

    Productos

    KATY Electronic Technology Co., LTD

    Teléfono

    KATY Electronic Technology Co., LTD

    Usuarios